Bồn Tiểu - Cập nhật 7 năm trước
Giỏ hàng của bạn đang trống
Tin tức / Thiết Bị Vệ Sinh / Bồn Tiểu - Cập nhật 7 năm trước
Bồn tiểu nam vẫn còn khá mới mẻ đối với người tiêu dùng Việt. Nhiều khách hàng vẫn thường thắc mắc: Chiều cao bồn tiểu nam như thế nào là hợp lý? Hãy cùng HITA tìm hiểu bài viết dưới đây để có thêm thông tin chi tiết.
Phòng tắm, nhà vệ sinh là một trong những nơi được sử dụng thường xuyên nhất trong căn nhà của bạn, vì vậy ai cũng muốn có thể trải nghiệm cảm giác thoải mái nhất. Tuy nhiên, không phải ai cũng biết được các thiết kế, sắp xếp các thiết bị phòng tắm sao cho đúng, nhất là khi bạn muốn thay thế hoặc lắp đặt thêm các thiết bị, mà không thể lúc nào cũng thuê nhà thiết kế tư vấn…
Chiếc bồn tiểu nam lại là một trong những thiết bị vệ sinh còn chưa phổ biến nên việc tìm hiểu và lắp đặt sản phẩm này cũng khá khó khăn. Hy vọng bài viết của HITA có thể giúp ích cho bạn phần nào.
Để biết được kích thước lắp đặt sao cho phù hợp, đầu tiên bạn cần nắm rõ được loại bồn tiểu nam bạn muốn sử dụng và hình dáng và kích thước của từng loại. Hiện tại trên thị trường, dựa vào thiết kế, có thể chia thành 2 loại sản phẩm bồn tiểu nam chính: bồn tiểu nam treo tường và bồn tiểu nam đặt sàn. Trong đó, bồn tiểu nam treo tường phổ biến hơn với nhiều kiểu dáng và kích thước thiết kế, còn bồn tiểu đặt sàn chỉ có một số mẫu cơ bản. Loại bồn tiểu đặt sàn ít phổ biến hơn, và khá đơn giản khi lắp đặt vì không cần phải đo đạc.
Bồn tiểu treo tường thường thấy có nhiều kiểu dáng và kích thước khác nhau, dao động từ khoảng 650mm đến 900mm, do đó khá khó để tổng hợp được toàn bộ. Nhưng sau đây là một số mẫu bồn tiểu nam phổ biến, được nhiều khách hàng lựa chọn mà các bạn có thể tham khảo về kích thước:
Bồn tiểu nam TOTO UT57S là sản phẩm thiết bị vệ sinh TOTO nhập khẩu được kinh doanh chính thức bởi Công ty thiết bị vệ sinh cao cấp Hita. Áp dụng công nghệ tiết kiệm nước, tiết kiệm năng lượng, thân thiện cho môi trường có thể sử dụng cho nhà tắm gia đình cũng như khu nhà tắm công cộng. Mức giá phù hợp chỉ hơn 2 triệu đồng.
Bồn tiểu nam Toto UT57S
Bồn tiểu nam Caesar U0296 là thiết bị vệ sinh chất lượng cao, hiện đại mang thương hiệu Caesar nổi tiếng. Bồn tiểu có thể tích hợp thêm van xả cảm ứng tự động hiện đại, bên cạnh lớp men sứ sáng bóng cao cấp, chống chầy xước và bám bẩn, giúp cho sản phẩm có độ bền cao và cũng rất dễ dàng vệ sinh.
Bồn tiểu nam đặt sàn Caesar U0296
Và mẫu bồn tiểu kiểu dáng dài của TOTO có mã số UT500T có kích thước 420Dx380Wx920H (mm), với giá bán ưu đãi chiết khấu tại HITA chỉ còn khoảng 8.075.400đ cũng được nhiều khách hàng quan tâm tìm hỏi, nhất là phù hợp với những phòng vệ sinh sang trọng của rạp chiếu phim, sân bay hay trung tâm thương mại...
Bồn tiểu nam Toto UT500T
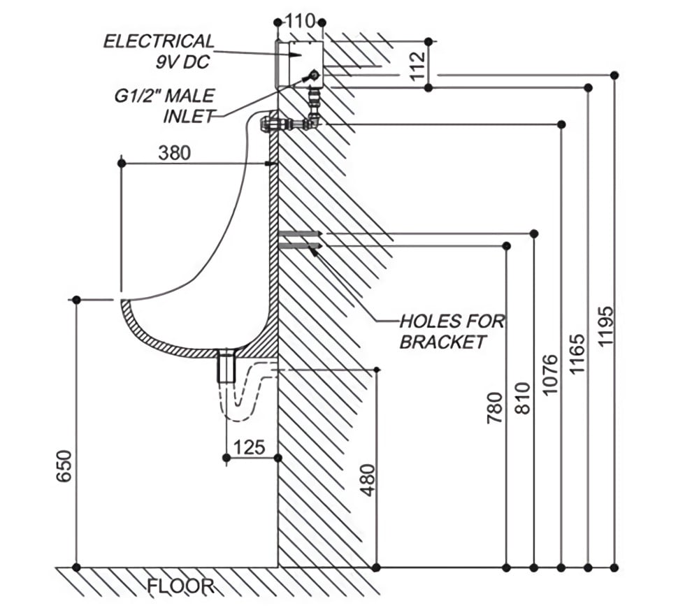
Chiều cao để lắp đặt bồn tiểu nam còn phụ thuộc vào nhiều yếu tố khác bên cạnh yếu tố kích thước của chiếc bồn tiểu. Và còn phụ thuộc vào cả thiết kế vành bồn tiểu và chiều cao của nó, chiều cao trung bình của người sử dụng, cũng như kích thước của căn phòng tắm:
Như vậy, với một vài thông tin, ta nên lắp đặt chiếc bồn tiểu cách sàn khoảng từ 450mm đến 600mmtùy vào chiều cao trung bình của người sử dụng chiếc bồn tiểu này. Đối với những nhà vệ sinh công cộng, việc tìm hiểu chiều cao của những người sử dụng cũng trở nên khó khăn hơn, nên có thể đo theo kích thước trung bình vào khoảng 500mm. Khoảng cách này khá phù hợp để khi đi vệ sinh không bị bắn nước tiểu ra ngoài mà vẫn giúp cho người sử dụng thoải mái.
Phần tay vặn van xả nên được thiết kế, lắp đặt vừa tầm với so với người sử dụng, vào khoảng từ 1m10 đến 1m30. Vì vậy, đối với những chiếc bồn tiểu có kích thước khá dài, lên đến khoảng 0.9m có thể tùy nhu cầu để lắp bồn tiểu thấp xuống hoặc van xả cao hơn một chút cho phù hợp.
Thông qua bài viết này, HITA mong rằng các bạn có được cho mình một vài ý tưởng về kích thước lắp đặt chiếc bồn tiểu nam phù hợp nhất với phòng vệ sinh cũng như đối tượng sử dụng trong thiết kế của bạn. Tại HITA có bán các loại bồn tiểu nam của các thương hiệu vệ sinh nổi tiếng, đặc biệt là 2 thương hiệu đến từ Nhật Bản: TOTO và INAX.
Bạn có thể tham khảo các mẫu bồn tiểu HITA đang phân phối sau đây:
- Bồn tiểu thương hiệu TOTO hàng đầu thị trường, bền đẹp & sang trọng cho mọi không gian nhà vệ sinh
- Bồn tiểu nam INAX chất lượng chuẩn Nhật
- Bồn tiểu hiệu Caesar thương hiệu Đài Loan mức giá rẻ được sử dụng tại nhiều công trình vệ sinh công cộng
Công ty TNHH Nội Thất Hita
Đại lý chuyên cung cấp thiết bị vệ sinh chính hãng hàng đầu
111-113 Kinh Dương Vương, P12, Q6, TP.HCM
0868 804 440 Nội thất HITA
support@hita.com.vn Nội thất HITA
Bồn Tiểu - Cập nhật 7 năm trước
Bồn Tiểu - Cập nhật 7 năm trước
Bồn Tiểu - Cập nhật 7 năm trước
Bồn Tiểu - Cập nhật 6 năm trước
Bồn Tiểu - Cập nhật 4 năm trước
Bồn Tiểu - Cập nhật 6 năm trước
Bồn Tiểu - Cập nhật 11 tháng trước
Bồn Tiểu - Cập nhật 11 tháng trước
Bồn Tiểu - Cập nhật 7 năm trước
Bồn Tiểu - Cập nhật 7 năm trước



