Thông tin sản phẩm bồn cầu 1 khối nắp rửa điện tử S7 TOTO MS905W11
Thông tin của bồn cầu thông minh TOTO MS905W11#XW:
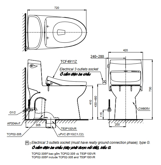
- Kích thước: 720D x 420W x 730H mm
- Màu sắc: Trắng
- Chất liệu: Sứ vệ sinh
- Thiết kế: Thân dài, thân kín
- Hệ thống xả: Xả xoáy Torrnado
- Lượng nước xả: 4.8L
- Tâm xả: 305 mm
- Loại xả: Nhấn đôi
- Mặt nước đọng: 250 x 180 (mm)
- Đường kính đường thải: Ø51 (mm)
- Áp lực nước: 0.05 ~ 0.70 MPa
- Lưu ý: Bao gồm bích nối sàn, van dừng
Kèm washlet S7 TOTO TCF4911Z#NW1
- Màu sắc: Trắng
- Thiết kế cho bàn cầu thân dài, loại thường
- Áp lực nước: 0.05 ~ 0.75 MPa
- Kích thước: 532D x 383W x 125H mm
- Công suất: 830 – 839 (W)
- Nguồn điện: AC 220 ~ 240V; 50/60 Hz
- Chiều dài dây cấp nước: 550 (mm)
- Chiều dài dây điện: 1200 (mm)
- Chất liệu: Nhựa
- Tính năng:
- Điều khiển từ xa
- Nắp đóng/ mở tự động
- Công nghệ nước điện phân khử khuẩn Ewater+ (Phun tráng lòng bàn cầu và vệ sinh vòi rửa)
- Vòi rửa massage đa chức năng, rửa bằng nước ấm
- Sấy khô, khử mùi, sưởi ấm nắp ngồi
- Tự vệ sinh vòi rửa trước và sau khi sử dụng.
Đặc điểm nổi bật bồn cầu 1 khối nắp rửa điện tử S7 TOTO MS905W11
Bàn cầu mã MS905 với các ưu điểm:
- Men sứ chống bám bẩn CEFIONTECT được tráng phủ lên toàn bộ bề mặt bồn cầu, ngăn chặn các chất thải, vi khuẩn và nấm mốc bám vào bề mặt bồn cầu. Nhờ đặc tính ưa nước của lớp men, các chất thải được rửa trôi nhanh chóng.
- Hệ thống xả xoáy Tornado không chỉ làm sạch các cặn bẩn hiệu quả hơn mà còn giảm tiếng ồn khi xả bằng cách giảm lượng nước. Hệ thống này sẽ xả nước từ phía trước và sử dụng áp lực nước liên tục xoáy đều bên trong bồn cầu làm sạch tất cả những khu vực dễ tích tụ chất bẩn nhất, bên cạnh đó còn giúp tiết kiệm nước với chế độ xả 4.8/3L
- Thiết kế vành kín độc đáo không có chỗ cho vi khuẩn hoặc chất thải bám vào, giúp việc lau chùi trở nên dễ dàng hơn.
Kèm washlet S7 TOTO TCF4911Z#NW1 với tính năng nổi bật:
- Điều khiển từ xa, các nút điều khiển in to và rõ, dễ điều chỉnh.
- Nắp đóng/ mở tự động khi đến gần hoặc rời đi sau khi sử dụng nhờ chức năng cảm ứng thông minh.
- Công nghệ khử trùng điện phân EWATER+ được tạo ra bằng cách điện phân ion clorua trong nước máy. Nước điện phân EWATER+ có khả năng tiêu diệt vi khuẩn, làm sạch lên đến 99,9% và loại bỏ vết bẩn cứng đầu ố vàng vĩnh viễn.
- Vòi rửa tự động làm sạch bên trong và bên ngoài với EWATER+ để luôn đảm bảo các điều kiện vệ sinh trước và sau mỗi lần sử dụng.
- Công nghệ khử mùi DEODORIZER trong và sau khi sử dụng, giúp cho thiết bị vệ sinh, không gian phòng tắm được thông thoáng, không còn mùi hôi và đảm bảo an toàn cho sức khỏe người dùng.
- Công nghệ phun sương PREMIST tự động phun nước lên bề mặt trong của lòng cầu trước mỗi lần sử dụng. Do cấu tạo là gốm sứ nên bản chất ưa nước, chất thải trên bề mặt của lòng cầu sẽ được rửa trôi dễ dàng hơn.
- Với vòi rửa massage đa chức năng, giúp người dùng làm sạch bằng nước ấm, sấy khô và sưởi ấm bệ ngồi hiện đại.
- Vòi rửa phun bọt khí với công nghệ AIR-IN WONDER-WAVE sử dụng các giọt nước ấm trộn bột khí tạo cảm giác thoải mái, làm sạch toàn diện hơn và tiết kiệm lượng nước sử dụng, nước được làm ấm ngay lập tức khi cần thiết.
- Vòi xịt tự động vệ sinh và khử trùng trước và sau khi sử dụng
- Công nghệ sưởi ấm bệ ngồi HEATED SEAT tức thì ngay sau khi sử dụng, có thể điều chỉnh các mức độ nhiệt độ bệ ngồi dễ dàng với điều khiển gắn liền bên hông.
- Tính năng sấy khô: có thể điều chỉnh riêng các mức độ sấy để người sử dụng cảm nhận được sự khô ráo, sạch sẽ sau mỗi lần vệ sinh.
- Độ dài dây nguồn an toàn, khoảng cách vừa đủ để đảm bảo các yếu tố kỹ thuật cũng như là an toàn cho người tiêu dùng
Bản vẽ kỹ thuật bồn cầu 1 khối nắp rửa điện tử S7 TOTO MS905W11

Xem thêm