Lavabo & vòi chậu - Cập nhật 6 năm trước
Giỏ hàng của bạn đang trống
Tin tức / Thiết Bị Vệ Sinh / Lavabo & vòi chậu - Cập nhật 3 năm trước
 
                    Chậu lavabo Inax được sử dụng phổ biến hiện nay. Để tiết kiệm chi phí nhiều gia đình tự lắp đặt chậu lavabo rửa mặt INAX, tuy nhiên để tránh tình trạng rò rỉ nước và mất thẩm mỹ bạn cần xem xét thật kỳ các kỹ thuật lắp đặt tại nhà.
Dưới đây Hita xin chia sẻ tới bạn một số cách lắp đặt chậu lavabo Inax bạn có thể tham khảo để ứng dụng một cách hiệu quả nhất nhé!
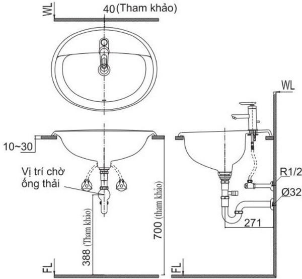
Việc lắp đặt lavabo cần phụ thuộc vào yếu tố đối tượng sử dụng. Hiện nay theo tiêu chuẩn chiều cao của người Việt, lavabo được lắp đặt theo tiêu chuẩn chiều cao dưới đây.
Hiện nay có rất nhiều mẫu chậu lavabo rửa mặt Inax như: lavabo góc inax, lavabo inax treo tường, lavabo inax đặt bàn, âm bàn... Mỗi loại chậu sẽ có mỗi cách lắp đặt khác nhau, dưới đây là chi tiết cách lắp đặt chậu lavabo Inax tại nhà bạn có thể tham khảo:
Lavabo Inax treo tường được lắp đặt đơn giản nhất so với các dòng lavabo Inax khác. Dưới đây là 6 bước cơ bản bạn cần nắm:
Đối với chậu lavabo âm bàn đòi hỏi kỹ thuật và độ khó cao hơn mẫu treo tường. Cách bước đều phải đảm bảo độ chuẩn xác cao.
Bước 6: Lắp đặt dây cấp nước và ống xả thải đúng vị trí chờ, dùng băng tan quấn vào vị trí có ren tránh rò rỉ nước.
Cách lắp lavabo Inax đặt bàn cũng tương tự như lavabo âm bàn, tuy nhiên các bước sẽ được tối giản hơn:
Để lắp đặt chậu nhanh chóng và đúng chuẩn bạn cần lưu ý một số điều sau:
Trên đây là tổng hợp chi tiết cách lắp đặt chậu lavabo rửa mặt Inax mà Hita muốn chia sẻ tới quý khách hàng cùng tham khảo. Để được tư vấn và báo giá các sản phẩm chính hãng mà Hita đang cung cấp, Qúy khách hàng có thể liên hệ trực tiếp qua Hotline để được đội ngũ tư vấn cụ thể nhất nhé!
>>> Tham khảo Cách khắc phục lỗi thường gặp khi sử dụng chậu rửa mặt Inax đơn giản!
Công ty TNHH Nội Thất Hita 
 Đại lý chuyên cung cấp thiết bị vệ sinh chính hãng hàng đầu
111-113 Kinh Dương Vương, P12, Q6, TP.HCM
0868 804 440 Nội thất HITA
support@hita.com.vn Nội thất HITA
Lavabo & vòi chậu - Cập nhật 6 năm trước
Lavabo & vòi chậu - Cập nhật 2 năm trước
Lavabo & vòi chậu - Cập nhật 7 năm trước
Lavabo & vòi chậu - Cập nhật 2 năm trước
Lavabo & vòi chậu - Cập nhật 8 năm trước
Lavabo & vòi chậu - Cập nhật 11 tháng trước
Lavabo & vòi chậu - Cập nhật 8 tháng trước
Lavabo & vòi chậu - Cập nhật 11 tháng trước
Lavabo & vòi chậu - Cập nhật 3 năm trước
Lavabo & vòi chậu - Cập nhật 3 năm trước
 
     
    
 
 
 
